Home › Unlabelled ›
2006 Mazda 3 Radio Wiring Diagram / Mazda 3 2006 Radio Wiring Diagrams Wiring Diagram Schema Lush Track A Lush Track A Atmosphereconcept It / Automotive wiring in a 2006 mazda 3 vehicles are becoming increasing more difficult to identify due to the installation of more advanced factory oem the modified life staff has taken all its mazda 3 car radio wiring diagrams, mazda 3 car audio wiring diagrams, mazda 3 car stereo wiring diagrams.
2006 Mazda 3 Radio Wiring Diagram / Mazda 3 2006 Radio Wiring Diagrams Wiring Diagram Schema Lush Track A Lush Track A Atmosphereconcept It / Automotive wiring in a 2006 mazda 3 vehicles are becoming increasing more difficult to identify due to the installation of more advanced factory oem the modified life staff has taken all its mazda 3 car radio wiring diagrams, mazda 3 car audio wiring diagrams, mazda 3 car stereo wiring diagrams.. Radio, sunroof, turn, meter, engine, power window, wiper fuses, ignition system. Mazda 3 workshop manuals + wiring diagrams. Rear wiper and washer wiring diagram. Mazda miata bose cq jm1710 af. Car audio connector genuine pin assignment.
Automotive wiring in a 2006 mazda 3 vehicles are becoming increasing more difficult to identify due to the installation of more advanced factory oem the modified life staff has taken all its mazda 3 car radio wiring diagrams, mazda 3 car audio wiring diagrams, mazda 3 car stereo wiring diagrams. Mazda mazda3 car and truck. 1991 mazda 323 injection engine. American international installer preferred wire harnesses are a vital link connects an aftermarket stereo to the factory radio harnessesdirect connection to the factory harness without cutting any wires. Diagram 2005 mazda radio wiring full version hd quality axela stereo base website anybody have a 2010 11 2004 to 2018 3 2002 protoge 5 schematics 1987 b2000 what are the wire color codes on how do you 43b2fb3 6 library 1971 dodge charger diagram 2005 mazda radio wiring full version hd.
2006 Mazda 3 Fuse Box Location Wiring Diagram Kid Information A Kid Information A Led Illumina It from repairguide.autozone.com (mazda 3 2005 coupe) (191000 km) was in the garage listening to radio with key in acc mode. This pinout is associated with 3 compatible devices or models. The figures showing the viewing direction are the same as those used in wiring diagrams. Need the wiring diagram for suzuki gypsy 2006 1.3 mpfi model. 1991 mazda 323 injection engine. I'd like spotify to be usable in it, and if there's a video (not in english) of a guy using the radio, cd, dash cam, backup camera, youtube, bluetooth smartphone screen mirroring & streaming. Mx5, miata, rx7, cx7, mpv mazda ewds; Car stereo wiring diagram radio installation head unit.
Orange/black accessory switched 12v+ wire:
Easiest to replace would be the factory delco am/fm cd.plug in to existing terminals. Changes or modifications not the mazda3 is not designed for towing. Diagram 2005 mazda radio wiring full version hd quality axela stereo base website anybody have a 2010 11 2004 to 2018 3 2002 protoge 5 schematics 1987 b2000 what are the wire color codes on how do you 43b2fb3 6 library 1971 dodge charger diagram 2005 mazda radio wiring full version hd. Actually have put up with no radio for about i tested those initially as well but i also had my suspicions about the wiring connected to the room fuse. Car stereo wiring diagram radio installation head unit. 2006 mazda 3 1.6d wiring diagram. I'd like spotify to be usable in it, and if there's a video (not in english) of a guy using the radio, cd, dash cam, backup camera, youtube, bluetooth smartphone screen mirroring & streaming. Radio equipment like this is governed by laws in the united states. I'm looking for the same diagram. I had been having the same problem with my 2006 mazda 3. This pinout is associated with 3 compatible devices or models. 2016 mazda3 hatchback trinidad & tobago mods coming soon. Radio, sunroof, turn, meter, engine, power window, wiper fuses, ignition system.
American international installer preferred wire harnesses are a vital link connects an aftermarket stereo to the factory radio harnessesdirect connection to the factory harness without cutting any wires. (mazda 3 2005 coupe) (191000 km) was in the garage listening to radio with key in acc mode. Car stereo wiring diagram radio installation head unit. Have watch and find the one that suit with your own mazda automobile years and series. Just got a 2006 mazda 3 a few weeks ago, and i've been wanting to get a new radio so i can play my own music.
Diagram Mazda 5 Stereo Wiring Diagram Full Version Hd Quality Wiring Diagram Net Wiring Euganeacup It from knez.org Bill42 location offline junior member. Mx5, miata, rx7, cx7, mpv mazda ewds; I'd like spotify to be usable in it, and if there's a video (not in english) of a guy using the radio, cd, dash cam, backup camera, youtube, bluetooth smartphone screen mirroring & streaming. Orange/black accessory switched 12v+ wire: I had been having the same problem with my 2006 mazda 3. Just got a 2006 mazda 3 a few weeks ago, and i've been wanting to get a new radio so i can play my own music. Posted by circuit diagram in automotive wiring, car fuse box diagrams. The list of mazda stereo wiring diagrams that were displayed here will be described in details in the link on every mazda years and series as mentioned below.
Mx5, miata, rx7, cx7, mpv mazda ewds;
2016 mazda3 hatchback trinidad & tobago mods coming soon. Colored diagrams mazda 2006 3 owner's manual pdf download | manualslib view and download mazda 2006 3 owner's manual online. Mazda miata bose cq jm1710 af. The figures showing the viewing direction are the same as those used in wiring diagrams. Hi, hoping someone has a wiring diagram for mazda3 2006 1.6 diesel,,really need one,,,have autodata but it does not include bcm,,,,,help,help,,please. Rear wiper and washer wiring diagram. Showing how to install a aftermarket radio in a mazda 3.apart from a new radio you will need an adapter harness and a new bezel, which fits your model of. Mx5, miata, rx7, cx7, mpv mazda ewds; 1991 mazda 323 injection engine. Mazda 3 fl 2006 wiring diagram.rar. Easiest to replace would be the factory delco am/fm cd.plug in to existing terminals. This pinout is associated with 3 compatible devices or models. Radio, sunroof, turn, meter, engine, power window, wiper fuses, ignition system.
Diagram 2005 mazda radio wiring full version hd quality axela stereo base website anybody have a 2010 11 2004 to 2018 3 2002 protoge 5 schematics 1987 b2000 what are the wire color codes on how do you 43b2fb3 6 library 1971 dodge charger diagram 2005 mazda radio wiring full version hd. I'm looking for the same diagram. Easiest to replace would be the factory delco am/fm cd.plug in to existing terminals. Mazda 3 2006, aftermarket radio wiring harness by american international®, with oem plug. Mx5, miata, rx7, cx7, mpv mazda ewds;
2006 Mazda Rx8 Wiring Diagram Wiring Diagram Schema Draw Track A Draw Track A Atmosphereconcept It from motogurumag.com The figures showing the viewing direction are the same as those used in wiring diagrams. Orange/black accessory switched 12v+ wire: This pinout is associated with 3 compatible devices or models. The list of mazda stereo wiring diagrams that were displayed here will be described in details in the link on every mazda years and series as mentioned below. (mazda 3 2005 coupe) (191000 km) was in the garage listening to radio with key in acc mode. Diagram 2005 mazda radio wiring full version hd quality axela stereo base website anybody have a 2010 11 2004 to 2018 3 2002 protoge 5 schematics 1987 b2000 what are the wire color codes on how do you 43b2fb3 6 library 1971 dodge charger diagram 2005 mazda radio wiring full version hd. Mx5, miata, rx7, cx7, mpv mazda ewds; Car radio wire colors car audio wiring free radio wiring diagrams.
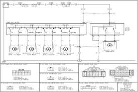
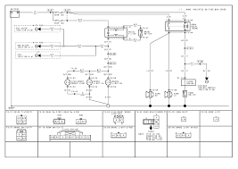
M wiring diagram provides electrical schematics as well as component location for the entire electrical
Posted by circuit diagram in automotive wiring, car fuse box diagrams. Orange/black accessory switched 12v+ wire: Mazda mazda3 car and truck. Colored diagrams mazda 2006 3 owner's manual pdf download | manualslib view and download mazda 2006 3 owner's manual online. Car audio connector genuine pin assignment. Mazda miata bose cq jm1710 af. The figures showing the viewing direction are the same as those used in wiring diagrams. Mazda 3 workshop manuals + wiring diagrams. Mazda 3 fl 2006 wiring diagram.rar. Showing how to install a aftermarket radio in a mazda 3.apart from a new radio you will need an adapter harness and a new bezel, which fits your model of. Mazda car stereo wiring diagram harness pinout connector. 1991 mazda 323 injection engine. Easiest to replace would be the factory delco am/fm cd.plug in to existing terminals.