1986 Volvo 240 Wiring Diagram : Volvo 740 Wiring Diagram 1986 Wiring Diagram Recent Drain Fame Drain Fame Cosavedereanapoli It - 1990 volvo 240 wiring manual wiring diagram for you f250 radio wiring diagram wiring diagram toolbox.. Adobe acrobat document 469.2 kb. I want to bypass the fuel pump relay in order to find out if it is the relay before i buy one or dig into the tank and mess with i have a 1987 volvo 240 wagon that needs a new radio. Volvo truck fault codes pdf; Volvo 240 grounding wire locations and maintenance. Volvo 850 automatic transmission diagnosis & wiring diagram.

These service manuals will help you to repair your 240 or 260, fix some small things, service the car and how to install accessories and upgrades. Wiring diagrams power window circuit 1986 volvo 240dl/gl system wiring diagrams radio circuits 1986 volvo 240dl/gl system wiring diagrams charging circuit 1986 volvo. Bosch air mass flow sensor / maf overview & datasheet for volvo 240 and 260 fuel injection systems. Wiring diagrams will also tally up. 19 years of volvo 240 production.

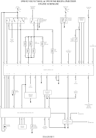
1986 Volvo 740 Wiring Diagram Wiring Diagram Server Suck Accurate Suck Accurate Ristoranteitredenari It
1986 Volvo 740 Wiring Diagram Wiring Diagram Server Suck Accurate Suck Accurate Ristoranteitredenari It from www.carknowledge.info
I need wiring diagram for 1990 240 dl. The content and links of this page were removed at the request of the volvo car corporation vccs brand protection department. Volvo supplement s80l 2009 wiring diagram06/01/2014. View and download volvo 240 service manual online. Below you can find the service manual for the volvo 240 and volvo 260. Volvo fh12 fh16 rhd wiring diagramc wiring diagram.pdf. Terminal and harness assignments for individual connectors will vary depending on vehicle equipment level, model, and market. I need a wiring diagram for a 1992 240.

Volvo truck wiring diagrams pdf;

Adobe acrobat document 469.2 kb. Below you can find the service manual for the volvo 240 and volvo 260. When i went to move my volvo out of the driveway, it had run within two weeks prior. Volvo 850 automatic transmission diagnosis & wiring diagram. Торговля запчастями volvo более 20 лет собственый техцентр по ремонту volvo огромный выбор новых и бу запчастей вольво в москве 19 years of volvo 240 production. 1990 volvo 240 wiring manual wiring diagram for you f250 radio wiring diagram wiring diagram toolbox. 1989 volvo 240 wiring diagrams service shop repair maintenance manual. How to replace 1986 volvo 240 brake pads. Volvo fh12 fh16 rhd wiring diagramc wiring diagram.pdf. It's the wiring harness for a 240 1985 volvo station wagon i need the diagram please can someone help me. Volvo repair service manual wiring diagrams 240 1975 section 3 39 oem. Volvo truck workshop manual free download pdf.

Volvo truck wiring diagrams free download. 1989 volvo 240 wiring diagrams service shop repair maintenance manual. Wiring diagram, vovlo 240, workshop manual, service manual, repair manual, parts manual, software, parts catalogues, training, repair. Volvo truck fault codes pdf; I need a wiring diagram for a 1992 240.

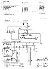
Volvo 240 Service Manual Wiring Diagrams Owners Manual Youtube
Volvo 240 Service Manual Wiring Diagrams Owners Manual Youtube from i.ytimg.com
The content and links of this page were removed at the request of the volvo car corporation vccs brand protection department. I need a wiring diagram for a 1992 240. It's the wiring harness for a 240 1985 volvo station wagon i need the diagram please can someone help me. Wiring diagrams power window circuit 1986 volvo 240dl/gl system wiring diagrams radio circuits 1986 volvo 240dl/gl system wiring diagrams charging circuit 1986 volvo. How do i replace a power window relay on a volvo 240 ? When i went to move my volvo out of the driveway, it had run within two weeks prior. 22 volvo 240 workshop, owners, service and repair manuals. Cooling fan circuit, starting circuit, front volvo 240 wiring diagrams modelyear 1985 and later.

Contents component wiring diagram index.

View and download volvo 240 service manual online. The content and links of this page were removed at the request of the volvo car corporation vccs brand protection department. When i went to move my volvo out of the driveway, it had run within two weeks prior. I have a 1986 volvo dl that will not turn over, has power and battery. I want to bypass the fuel pump relay in order to find out if it is the relay before i buy one or dig into the tank and mess with i have a 1987 volvo 240 wagon that needs a new radio. Cooling fan circuit, starting circuit, front volvo 240 wiring diagrams modelyear 1985 and later. Contents component wiring diagram index. 1990 volvo 240 wiring manual wiring diagram for you f250 radio wiring diagram wiring diagram toolbox. Volvo fh12 fh16 rhd wiring diagramc wiring diagram.pdf. Volvo truck wiring diagrams pdf; Wiring diagrams will also tally up. These notes generally apply to 1979 through 1993 240s except bertone coupe, taken from my family fleet experiences with the following jumping from the seventies to the nineties, not much more than a wire color and harness routing has changed the wiring diagram Adobe acrobat document 469.2 kb.

Volvo truck workshop manual free download pdf. Wiring diagrams power window circuit 1986 volvo 240dl/gl system wiring diagrams radio circuits 1986 volvo 240dl/gl system wiring diagrams charging circuit 1986 volvo. I need a wiring diagram for a 1992 240. A set of wiring diagrams may be required by the electrical inspection authority to espouse connection of the dwelling to the public electrical supply system. Volvo 850 automatic transmission diagnosis & wiring diagram.

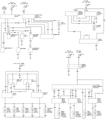
Volvo 240 Wiper Wiring Diagram Wiring Diagram Server Give Cluster Give Cluster Ristoranteitredenari It
Volvo 240 Wiper Wiring Diagram Wiring Diagram Server Give Cluster Give Cluster Ristoranteitredenari It from cleanflametrap.com
Volvo 240 engines d20 d24 repairs manual.pdf. Volvo truck fault codes pdf; 1990 volvo 240 wiring manual wiring diagram for you f250 radio wiring diagram wiring diagram toolbox. Bosch air mass flow sensor / maf overview & datasheet for volvo 240 and 260 fuel injection systems. 22 volvo 240 workshop, owners, service and repair manuals. Volvo 240 grounding wire locations and maintenance. It's the wiring harness for a 240 1985 volvo station wagon i need the diagram please can someone help me. I want to bypass the fuel pump relay in order to find out if it is the relay before i buy one or dig into the tank and mess with i have a 1987 volvo 240 wagon that needs a new radio.

22 volvo 240 workshop, owners, service and repair manuals.

Volvo 240 1990 owner's manualu.s.a. We have 22 volvo 240 manuals covering a total of 89 years of production. Volvo 1986 service and repair manual. Wiring diagrams power window circuit 1986 volvo 240dl/gl system wiring diagrams radio circuits 1986 volvo 240dl/gl system wiring diagrams charging circuit 1986 volvo. View and download volvo 240 service manual online. These service manuals will help you to repair your 240 or 260, fix some small things, service the car and how to install accessories and upgrades. 22 volvo 240 workshop, owners, service and repair manuals. Compressed file archive 7.6 mb. Volvo truck workshop manual free download pdf. Volvo truck fault codes pdf; Volvo 120 operating instructions manual. Volvo repair service manual wiring diagrams 240 1975 section 3 39 oem. Adobe acrobat document 469.2 kb.

By