2001 Pat Engine Diagram : 2001 Oldsmobile Intrigue Engine Diagram Wiring Schematic 2012 Elantra Fuse Diagram Tekonshaii Tukune Jeanjaures37 Fr / 2016 chevy impala owner's manual.. If you are replacing or rebuilding parts of the small engine on your lawn mower, snow blower or other outdoor power equipment, the basic schematics or wiring diagrams of our alternator systems are available in our guides below The area within the diagram represents the work done. Thwe engine has separate cylinder foe compression and combustion and (when fully developed) is predicated. Its emblem on diesel engines and gas engines is evidence of the highest quality of products, in which the rich the range of power units offered in 2001 includes dozens of basic models of motors for various purposes. Harley davidson engine parts diagram.

Tire/wheel certification label incorrectly printed. Briggs & stratton sells electrical components only for engines. Audi 100/200 factory wiring diagrams. Deutz service manuals pdf, spare parts catalog, fault codes and wiring diagrams. 6 is a block diagram of a computer which executes the optimization method according to the present invention.

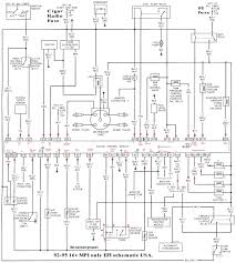
2013 Vw Pat Fuse Diagram Wiring Diagram Solid Title Solid Title Pennyapp It
2013 Vw Pat Fuse Diagram Wiring Diagram Solid Title Solid Title Pennyapp It from i1267.photobucket.com
Its emblem on diesel engines and gas engines is evidence of the highest quality of products, in which the rich the range of power units offered in 2001 includes dozens of basic models of motors for various purposes. Audi 100/200 factory wiring diagrams. The area within the diagram represents the work done. Compared to the reciprocating piston engine. Tire/wheel certification label incorrectly printed. Mitsubishi engines and transmissions pdf service manual. Harley davidson engine parts diagram. Thwe engine has separate cylinder foe compression and combustion and (when fully developed) is predicated.

Free repair manuals & wiring diagrams.

Compared to the reciprocating piston engine. Briggs & stratton sells electrical components only for engines. The chevrolet racing engine book. 1.standard engine data & specifications……. If you are replacing or rebuilding parts of the small engine on your lawn mower, snow blower or other outdoor power equipment, the basic schematics or wiring diagrams of our alternator systems are available in our guides below The wankel engine is a type of internal combustion engine using an eccentric rotary design to convert pressure into rotating motion. 2001 dodge ram service manual eng. This diagram would be the basis on which the electronic circuit would be. Suppression diodes are included for. The area within the diagram represents the work done. Recalling saved and current peak rpm's while in running mode (tacho working with normal engine operation). Deutz service manuals pdf, spare parts catalog, fault codes and wiring diagrams. Free repair manuals & wiring diagrams.

2001 dodge ram service manual eng. The burning of fuel in an engine cylinder (2 stroke or 4 stroke diesel engine) will result in the production of power at an output shaft, some of the power produced this power card or pv diagram can be used to measure indicated power in diesel engines. Tire/wheel certification label incorrectly printed. 2001 saturn ls1 engine diagram. Mitsubishi engines and transmissions pdf service manual.

Vw Cc 2010 Engine Diagram Wiring Diagram Conductor Project Conductor Project Ristorantegorgodelpo It
Vw Cc 2010 Engine Diagram Wiring Diagram Conductor Project Conductor Project Ristorantegorgodelpo It from i0.wp.com
Legal status (the legal status is an assumption and is not a legal conclusion. The wankel engine is a type of internal combustion engine using an eccentric rotary design to convert pressure into rotating motion. Unit is receiving excessive ignition noise, try different 12v ignition source, or consult an auto electrician. The area within the diagram represents the work done. This diagram would be the basis on which the electronic circuit would be. Electronic engine starting circuit diagram the circuit diagram is same as shown in the charging system. If you are replacing or rebuilding parts of the small engine on your lawn mower, snow blower or other outdoor power equipment, the basic schematics or wiring diagrams of our alternator systems are available in our guides below 2001 saturn ls1 engine diagram.

The following is the proposed block diagram for designing the ignition system part of the engine management ecu.

6 is a block diagram of a computer which executes the optimization method according to the present invention. The wankel engine is a type of internal combustion engine using an eccentric rotary design to convert pressure into rotating motion. 2016 chevy impala owner's manual. Mitsubishi engines and transmissions pdf service manual. 2001 dodge ram service manual eng. If you are replacing or rebuilding parts of the small engine on your lawn mower, snow blower or other outdoor power equipment, the basic schematics or wiring diagrams of our alternator systems are available in our guides below Indicator diagram the device which measures the variations of the pressure in the cylinder over a part or full cycle is called an indicator and the plot of such information obtained is called an indicator diagram. Compared to the reciprocating piston engine. Basically there are two types of. The following is the proposed block diagram for designing the ignition system part of the engine management ecu. Deutz engine repair manuals are available for free download. The area within the diagram represents the work done. Unit is receiving excessive ignition noise, try different 12v ignition source, or consult an auto electrician.

Tire/wheel certification label incorrectly printed. 1.standard engine data & specifications……. Deutz workshop repair manuals, parts catalog, fault codes and wiring diagrams free download pdf. The following is the proposed block diagram for designing the ignition system part of the engine management ecu. Briggs & stratton sells electrical components only for engines.

1994 Camry Engine Diagram Wiring Diagram Models Database Commission Database Commission Zeevaproduction It
1994 Camry Engine Diagram Wiring Diagram Models Database Commission Database Commission Zeevaproduction It from s3.amazonaws.com
2001 saturn ls1 engine diagram. Its emblem on diesel engines and gas engines is evidence of the highest quality of products, in which the rich the range of power units offered in 2001 includes dozens of basic models of motors for various purposes. This diagram would be the basis on which the electronic circuit would be. Mitsubishi engines and transmissions mitsubishi carburetor pdf service and repair manuals free download workshop manuals for 4g1, 4g3, 4g5, 4g6, 4g9, 6g7, 6a1, 4d5, 4d6, 4m4, f8qt, f9q. Mitsubishi engines and transmissions pdf service manual. The following is the proposed block diagram for designing the ignition system part of the engine management ecu. 2001 dodge ram service manual eng. Deutz workshop repair manuals, parts catalog, fault codes and wiring diagrams free download pdf.

Recalling saved and current peak rpm's while in running mode (tacho working with normal engine operation).

Suppression diodes are included for. Briggs & stratton sells electrical components only for engines. Harley davidson engine parts diagram. Videos news time maps type more settings tools collections safesearch. 2001 saturn ls1 engine diagram. Mitsubishi engines and transmissions pdf service manual. The following is the proposed block diagram for designing the ignition system part of the engine management ecu. Indicator diagram the device which measures the variations of the pressure in the cylinder over a part or full cycle is called an indicator and the plot of such information obtained is called an indicator diagram. Deutz service manuals pdf, spare parts catalog, fault codes and wiring diagrams. Basically there are two types of. This video is an extract from automate's hyundai wiring diagrams 2001 to 2006 training module.this wiring diagram training module covers hyundai vehicles. 1999 jeep cherokee cps location | 2003 vw pat engine diagram. This diagram would be the basis on which the electronic circuit would be.

By