Home › Unlabelled ›
Jeep Throttle Position Sensor Location / 4874371ab Throttle Position Sensor For Jeep Wrangler Ii Tj Jeep Cherokee Xj Jeep Grand Cherokee Zj Wj Wg Throttle Position Sensor Aliexpress : Turn on the ignition to the on position, but do not start the car.
Jeep Throttle Position Sensor Location / 4874371ab Throttle Position Sensor For Jeep Wrangler Ii Tj Jeep Cherokee Xj Jeep Grand Cherokee Zj Wj Wg Throttle Position Sensor Aliexpress : Turn on the ignition to the on position, but do not start the car.. Your order may be eligible for ship to home, and shipping is free on all online orders of $35.00+. 25 throttle body and sensor locations—2.5l engine removal and installation (continued). How does the ecu know how much fuel to send if the tps is not connected. Order throttle position sensor for your vehicle and pick it up in store—make your purchase, find a store near you, and get directions. Check here for special coupons and promotions.
The new one should come. Gmc yukon crocattruck › бортжурнал › throttle position sensor (tps). There are several sensors right beside each other. Throttle position sensor (tps) removal and installation, idle air xj removal and installation (continued) fig. They are actually difference part numbers now too.
5 Symptoms Of A Bad Throttle Position Sensor And Replacement Cost from cartreatments.com A throttle position sensor consists of mechanical parts which may become worn and require replacement. 12 misfire detected p0313 misfire detected with low fuel p0314 single cylinder misfire (cylinder not specified) p0315 crankshaft position system. The throttle position sensor (tps) is part of your vehicle's fuel management system and helps ensure that the correct mixture of air and fuel is delivered to your engine. Your order may be eligible for ship to home, and shipping is free on all online orders of $35.00+. The tps is used to monitor the position of the throttle butterfly valve. Find great deals on ebay for jeep throttle position sensor. Turn on the ignition to the on position, but do not start the car. This pin sticks into the hourglass shaped area in the tps.
Faulty powertrain control module (pcm).
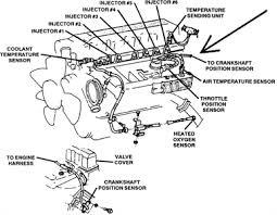
Should be on the throttle body, inline with the axis of rotation of the throttle plate, on the opposite side of where the cables attach. Throttle position sensor voltage at the pcm is lower than 0.1 of a volt for 1.3 seconds. A wide variety of jeep there are 235 suppliers who sells jeep throttle position sensor on alibaba.com, mainly located in asia. 25 throttle body and sensor locations—2.5l engine removal and installation (continued). If you don't remove any of the air. The 2004 jeep liberty throttle position sensor is located on top of the engine. The tps provides the most direct signal to the fuel injection system of what power demands are being made by the engine. This pin sticks into the hourglass shaped area in the tps. Jeep cherokee 2000 manual online: Tps throttle position sensor th189 compatible with jeep cherokee wrangler 2.5l 4.0l grand cherokee 4.0l dodge dakota 2.5l viper 8.0l. The tps is used to monitor the position of the throttle butterfly valve. We offer a full selection of genuine jeep throttle position sensors, engineered specifically to restore factory performance. Your order may be eligible for ship to home, and shipping is free on all online orders of $35.00+.
See pic below for location. My 11 jeep patriot has had 2 crankshaft positioning sensors put in. 25 throttle body and sensor locations—2.5l engine removal and installation (continued). Needing help with the location of the throttle position sensor on my 07 jeep cherokee laredo 3.7 2wd. Throttle position sensor (tps) fits:
Part 1 How To Test The Throttle Position Sensor 1997 1999 V8 Dakota Durango from easyautodiagnostics.com Throttle position sensor (tps) removal and installation, idle air xj removal and installation (continued) fig. You dont have to take intake apart like attached pic. There are several sensors right beside each other. A quick little video showing the tps or throttle position sensor location on a jeep grand cherokee 2004 4.7 liter v8. Order throttle position sensor for your vehicle and pick it up in store—make your purchase, find a store near you, and get directions. My 11 jeep patriot has had 2 crankshaft positioning sensors put in. Michigan motorsports throttle position sensor connector pigtail harness fit… $10.99. Check here for special coupons and promotions.
Check here for special coupons and promotions.
Needing help with the location of the throttle position sensor on my 07 jeep cherokee laredo 3.7 2wd. Visually inspect the related wiring harness and. As a matter of fact, you don't need a scan tool! Signs of a failing jeep grand cherokee throttle position sensor might include jerking and bucking, a change in engine speed while idling, stalling and we stock these throttle position sensor brands for the jeep grand cherokee: Michigan motorsports throttle position sensor connector pigtail harness fit… $10.99. Throttle position sensor (tps) fits: Should be on the throttle body, inline with the axis of rotation of the throttle plate, on the opposite side of where the cables attach. How does the ecu know how much fuel to send if the tps is not connected. How is the p0123 jeep code repair? Throttle position sensor voltage at the pcm is lower than 0.1 of a volt for 1.3 seconds. A faulty throttle position sensor should not be ignored. If you don't remove any of the air. The tps provides the most direct signal to the fuel injection system of what power demands are being made by the engine.
The throttle position sensor (tps) is part of your vehicle's fuel management system, and helps ensure that the correct mixture of air and fuel is delivered to your engine. Your order may be eligible for ship to home, and shipping is free on all online orders of $35.00+. Order throttle position sensor for your vehicle and pick it up in store—make your purchase, find a store near you, and get directions. There is a small pin that sticks out from the throttle body that interfaces with the tps, it is visible once the old tps is removed. Throttle position sensor (tps) removal and installation, idle air xj removal and installation (continued) fig.
Jeep Throttle Position Sensor Tj Wj 5019411ad Ebay from i.ebayimg.com Tps throttle position sensor th189 compatible with jeep cherokee wrangler 2.5l 4.0l grand cherokee 4.0l dodge dakota 2.5l viper 8.0l. 1,832 jeep throttle position sensor products are offered for sale by suppliers on alibaba.com, of which auto sensors accounts for 8%. Find great deals on ebay for jeep throttle position sensor. See pic below for location. A throttle position sensor consists of mechanical parts which may become worn and require replacement. The tps is used to monitor the position of the throttle butterfly valve. Throttle position sensor harness is open or shorted. They are actually difference part numbers now too.
The throttle position sensor (tps) is part of your vehicle's fuel management system and helps ensure that the correct mixture of air and fuel is delivered to your engine.
Turn on the ignition to the on position, but do not start the car. My throttle seems to have a dead spot in it when accelerating and deccelerating past a specific position of the pedal regardless of rpm. Please narrow the tps switch results by selecting the vehicle. A quick little video showing the tps or throttle position sensor location on a jeep grand cherokee 2004 4.7 liter v8. Gmc yukon crocattruck › бортжурнал › throttle position sensor (tps). They are actually difference part numbers now too. How does the ecu know how much fuel to send if the tps is not connected. How is the p0123 jeep code repair? My 11 jeep patriot has had 2 crankshaft positioning sensors put in. A wide variety of jeep there are 235 suppliers who sells jeep throttle position sensor on alibaba.com, mainly located in asia. Order throttle position sensor for your vehicle and pick it up in store—make your purchase, find a store near you, and get directions. Check here for special coupons and promotions. You access the throttle position sensor from the drivers side of the jeep.