Mins Isx Engine Diagram : Cummins Isx15 And Qsx15 Manuals And Spec Sheets / Air intake system flow diagram.. Need an engine make and model to answer this. The cummins isx cm engine ecm wiring diagram provides information for the correct servicing and troubleshooting of electrical systems and is essential for all mechanics carrying out repairs or maintenance on the cummins isx cm engines. Diagram, system, cummins isx, model 379. Signature isx engine pdf manual download. Need diagram for 2004 freightliner serpentine belt?

Barring that, we'd need to know if the truck has the cummins isx, volvo ve. Image courtsey of cummins® inc. It shows the components of the circuit as streamlined forms, as well as the power as well as signal connections. The cummins isx engine is one of the workhorses of the cummins brand and will continue to be a dominating factor. Keep cummins isx and qsx engines online and working efficiently with manuals from diesel parts direct.

New Pp El84 Designs Page 2 Diyaudio
New Pp El84 Designs Page 2 Diyaudio from tubecad.com
Lubrication system overview & flow diagram. Cummins isx 15 fuel pump diagram menu bizzybeesevents com. Cummins qsx diesel engine workshop repair manuals. Service guide provides troubleshoot information, operation and maintenance manual, instructions for maintenance, diagrams and charts for engines cummins. Isx qsx workshop manual, introduction & section i, 619 pages, click to download. Cummins isx15 and qsx15 engine workshop manuals, service manuals, user manuals, parts books and spec sheets. Intake manifold air temperature sensor 5. Cummins full set parts catalog20/09/2017.

Ned conventional pictorial representation of an electric circuit.

The cummins isx cm871 engine ecm wiring diagram provides information for the correct servicing and troubleshooting of electrical systems and is essential for all mechanics carrying out repairs or maintenance on the cummins isx engine with cm871 control system. Signature isx engine pdf manual download. Cummins isc 8.3 l engine, originally put into production: Intake manifold pressure sensor 7. It is this level of detail. Isx is isx, only minor differences not at ecu plug. Keep cummins isx and qsx engines online and working efficiently with manuals from diesel parts direct. The cummins isx engine is one of the workhorses of the cummins brand and will continue to be a dominating factor. Get pricing for new cummins engines, generators, components, parts or service. Cummins isx15 and qsx15 engine workshop manuals, service manuals, user manuals, parts books and spec sheets. Image courtsey of cummins® inc. This version of the isx relies on an engine control module (ecm) to monitor the timing and pressure. Isc 8.3 l emission abatement technology.

Cummins c series engine troubleshooting and repair manual25/07/2014. The original isc engine featured a cummins accumulator pump heres a redneck diagram of the fuel system on a cummins islisc engine. Hi guys, can any one please post the wiring diagrams for cummins engines i am trying to make bench cable for cummins highway engines need these wiring diagrams to figureout which wire go to where. Information cummins isx15 engine electrical circuit diagrams. Need an engine make and model to answer this.

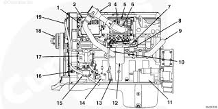
Cummins Isx Cm870 Engine Flows And Diagrams Manual Auto Repair Manual Forum Heavy Equipment Forums Download Repair Workshop Manual
Cummins Isx Cm870 Engine Flows And Diagrams Manual Auto Repair Manual Forum Heavy Equipment Forums Download Repair Workshop Manual from img.autorepairmanuals.ws
Cummins qsx diesel engine workshop repair manuals. Injectors & fuel line overview including operation theory for pt & stc fuel system. The ecm can activate each fuel injector up to five times per combustion cycle. Diagram, system, cummins isx, model 379. The cummins isx cm871 engine ecm wiring diagram provides information for the correct servicing and troubleshooting of electrical systems and is essential for all mechanics carrying out repairs or maintenance on the cummins isx engine with cm871 control system. Manual de reparacion cummins isx. Information cummins isx15 engine electrical circuit diagrams. Lubrication system overview & flow diagram.

A wiring diagram is a streamli.

Cummins qsc8.3 & qsl9 engine operation & maintenance manual26/07/2014. Get pricing for new cummins engines, generators, components, parts or service. The ecm can activate each fuel injector up to five times per combustion cycle. You either have a detroit diesel, mercedes benz there should be a sticker near the belt which has a routing diagram on it. Egr differential pressure sensor mounting location 8. It is this level of detail. Lubrication system overview & flow diagram. Cummins isx 15 fuel pump diagram menu bizzybeesevents com. Engine cummins isx15 600 reference manual. Hi guys, can any one please post the wiring diagrams for cummins engines i am trying to make bench cable for cummins highway engines need these wiring diagrams to figureout which wire go to where. Isx qsx workshop manual, introduction & section i, 619 pages, click to download. The cummins isx cm engine ecm wiring diagram provides information for the correct servicing and troubleshooting of electrical systems and is essential for all mechanics carrying out repairs or maintenance on the cummins isx cm engines. Isc 8.3 l emission abatement technology.

Ned conventional pictorial representation of an electric circuit. Mins isx engines here are some quick tips and ideas for you to time the cummins isx. The cummins isx cm engine ecm wiring diagram provides information for the correct servicing and troubleshooting of electrical systems and is essential for all mechanics carrying out repairs or maintenance on the cummins isx cm engines. Need diagram for 2004 freightliner serpentine belt? Egr differential pressure sensor mounting location 8.

Spn 190 Fmi 10 Fault Code 121 Blog Teknisi
Spn 190 Fmi 10 Fault Code 121 Blog Teknisi from 1.bp.blogspot.com
Barring that, we'd need to know if the truck has the cummins isx, volvo ve. Use on 379 chassis fa mily with cummins isx and signature se rie s engines with cm870 controller. Cummins full set parts catalog20/09/2017. Cummins c series engine troubleshooting and repair manual25/07/2014. A wiring diagram is a streamli. Cummins isc 8.3 l engine, originally put into production: Isc 8.3 l emission abatement technology. Cummins qsx diesel engine workshop repair manuals.

Information cummins isx15 engine electrical circuit diagrams.

Cummins isc 8.3 l engine, originally put into production: Cummins isx15 and qsx15 engine workshop manuals, service manuals, user manuals, parts books and spec sheets. This version of the isx relies on an engine control module (ecm) to monitor the timing and pressure. Cummins isx 15 fuel pump diagram menu bizzybeesevents com. Signature isx engine pdf manual download. Alibaba.com offers 5,015 isx engine products. Engine cummins isx15 600 reference manual. Diesel engines and diesel generators are designed and manufactured in 56 manufacturing plants located in the usa, great britain, japan, turkey, south korea, china, india, mexico, australia, south africa. Manual de reparacion cummins isx. The single camshaft improvement creates a better fuel economy and reduces emissions to stay parallel with epa standards. Service guide provides troubleshoot information, operation and maintenance manual, instructions for maintenance, diagrams and charts for engines cummins. The ecm can activate each fuel injector up to five times per combustion cycle. Isc 8.3 l emission abatement technology.

By