2003 Mitsubishi Galant Fuse Box Diagram : Hd 9439 2003 Mitsubishi Eclipse Fuse Free Diagram : Fuse box diagram (location and assignment of electrical fuses) for mitsubishi galant (2010, 2011, 2012).. Fuse box diagram (location and assignment of electrical fuses) for mitsubishi galant (2010, 2011, 2012). Ignition switch, abs system, radiator fan, headlight, power window, condenser fan, hazard, engine, air conditioning, high beam, tail light, anti theft system, fog light. Car fuse box diagram, fuse panel map and layout. 2003 mitsubishi galant fuse box and relay location and diagram. 2003 mitsubishi galant fuse box and relay location and diagram.

I have a 2003 galant. If not, google fuse box diagram for mitsubishi galant. 2003 mitsubishi galant fuse box and relay location and diagram. Engine compartment fuse box diagram (type a). Company mitsubishi motors about the center began in 1917 when 2002 mitsubishi galant fuse diagram wiring diagram symbols.

The Galant Center
The Galant Center from i726.photobucket.com
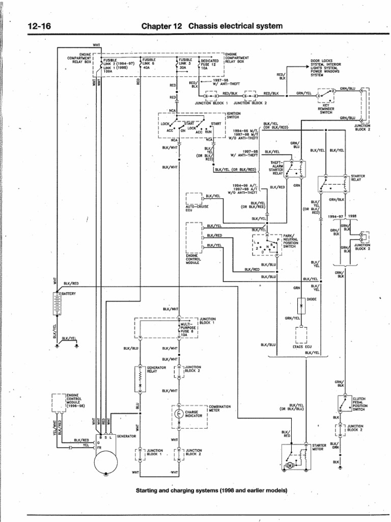
Diagram 2003 mitsubishi galant wiring schematics full version hd. Fuse panel layout diagram parts: How to replace your car s fuse box yourmechanic advice. The 8th generation mitsubishi galant was produced in 1996, 1997, 1998, 1999, 2000, 2001, 2002, 2003, 2004 and 2005 and has been delivered worldwide. 2003 mitsubishi galant fuse box and relay location and diagram. Heater, rear window defogger, door mirror heater, sunroof, back up lamp, cigar lighter, wiper, abs system, theft, door lock, ignition switch, gauge, horn, relay, stoplamp. In our material, we will show a description of the fuses and relays of the galant 8 with block diagrams, their photos and locations. Diagram of the fuse box under the hood of a 95 jeep cherokee jeep cars trucks question.

If not, google fuse box diagram for mitsubishi galant.

The 2003 mitsubishi electric mirror fuse is located in the fuse box. My question is, can you bypass the fuse circuit box on the battery cable end ? The video above shows how to replace blown fuses in the interior fuse box of your 2002 mitsubishi galant in addition to the fuse panel diagram location. Mitsubishi galant circuit diagram pdf electronic circuits. If your map light stereo turn signals heated seats headlights or other electronic components suddenly stop working chances are you have a fuse that has blown out. If not, google fuse box diagram for mitsubishi galant. Fuse box on 2005 chevy silverado wiring diagram general helper. How to replace your car s fuse box yourmechanic advice. In the engine area in fuse relay box is the fuse number 20 (brown 7.5 amp) this fuse supply power todifferent sistems including the combination meter board where is locate your fuel gauge. Heater, rear window defogger, door mirror heater, sunroof, back up lamp, cigar lighter, wiper, abs system, theft, door lock, ignition switch, gauge, horn, relay, stoplamp. I have a 2003 galant. Diagram of the fuse box under the hood of a 95 jeep cherokee jeep cars trucks question. 2003 mitsubishi galant fuse box and relay location and diagram.

2003 mitsubishi galant fuse box and relay location and diagram. If not, google fuse box diagram for mitsubishi galant. It can also be found within the service manual. Ignition switch, abs system, radiator fan, headlight, power window, condenser fan, hazard, engine, air conditioning, high beam, tail light, anti theft system, fog light. 2003 mitsubishi galant fuse box and relay location and diagram.

2003 Toyota Solara Fuse Diagram Wiring Diagram Partnership Flu Student Flu Student Ioveggie It
2003 Toyota Solara Fuse Diagram Wiring Diagram Partnership Flu Student Flu Student Ioveggie It from www.fixya.com
1 week ago by maverik. If not, google fuse box diagram for mitsubishi galant. Fuse box diagram (location and assignment of electrical fuses) for mitsubishi galant (2010, 2011, 2012). Mitsubishi galant 2001 engine compartment fuse box/block circuit breaker diagram. Here you will find fuse box diagrams of mitsubishi galant 2010 2011 and 2012 get information about the location of the fuse panels inside the car and learn about the assignment of each fuse fuse layout. Company mitsubishi motors about the center began in 1917 when 2002 mitsubishi galant fuse diagram wiring diagram symbols. Diagram of the fuse box under the hood of a 95 jeep cherokee jeep cars trucks question. 758 2003 mitsubishi montero fuse box diagram wiring resources.

Fuse panel layout diagram parts:

How to replace your car s fuse box yourmechanic advice. The fuse box diagram for a 2003 toyota corolla ce is located on the rear of the box cover. Picture of fuse box for mitsubishi galant 2003 2001 mitsubishi galant interior fuse box diagram Fuse box diagram (location and assignment of electrical fuses) for mitsubishi galant (2010, 2011, 2012). Identifying and legend fuse box mitsubishi galant 1993 1997. Mitsubishi galant 2001 engine compartment fuse box/block circuit breaker diagram. Car fuse box diagram, fuse panel map and layout. The 2003 mitsubishi electric mirror fuse is located in the fuse box. It can also be found within the service manual. My question is, can you bypass the fuse circuit box on the battery cable end ? 2003 mitsubishi galant timing belt parts diagram 4g69 engine. In our material, we will show a description of the fuses and relays of the galant 8 with block diagrams, their photos and locations. 2003 mitsubishi galant fuse box and relay location and diagram.

Fuse box diagram location and assignment of electrical fuses for mitsubishi galant 2010 2011 2012. Heater, rear window defogger, door mirror heater, sunroof, back up lamp, cigar lighter, wiper, abs system, theft, door lock, ignition switch, gauge, horn, relay, stoplamp. Fuse box diagram (location and assignment of electrical fuses) for mitsubishi galant (2010, 2011, 2012). Heater, rear window defogger, door mirror heater, sunroof, back up lamp, cigar lighter, wiper, abs system, theft, door lock, ignition switch, gauge, horn. Identifying and legend fuse box mitsubishi galant 1993 1997.

Mitsubishi Galant Engine Diagram
Mitsubishi Galant Engine Diagram from www.dsmtuners.com
Heater, rear window defogger, door mirror heater, sunroof, back up lamp, cigar lighter, wiper, abs system, theft, door lock, ignition switch, gauge, horn. Ignition switch, abs system, radiator fan, headlight, power window, condenser fan, hazard, engine, air conditioning, high beam, tail light, anti theft system, fog light. The fuse box diagram for a 2003 toyota corolla ce is located on the rear of the box cover. Company mitsubishi motors about the center began in 1917 when 2002 mitsubishi galant fuse diagram wiring diagram symbols. 2003 mitsubishi galant timing belt parts diagram 4g69 engine. Mitsubishi galant 2001 engine compartment fuse box/block circuit breaker diagram. The video above shows how to replace blown fuses in the interior fuse box of your 2002 mitsubishi galant in addition to the fuse panel diagram location. This page is about mitsubishi galant fuse box,contains fuse box diagram mitsubishi.

This page is about mitsubishi galant fuse box,contains fuse box diagram mitsubishi.

It can also be found within the service manual. Heater, rear window defogger, door mirror heater, sunroof, back up lamp, cigar lighter, wiper, abs system, theft, door lock, ignition switch, gauge, horn. Diagram 2003 mitsubishi galant wiring schematics full version hd. Find collection mitsubishi fuse box diagram always update. My question is, can you bypass the fuse circuit box on the battery cable end ? Ignition switch, abs system, radiator fan, headlight, power window, condenser fan, hazard, engine, air conditioning, high beam, tail light, anti theft system, fog light. 2003 mitsubishi galant fuse box and relay location and diagram. 2003 mitsubishi galant fuse box and relay location and diagram. Heater, rear window defogger, door mirror heater, sunroof, back up lamp, cigar lighter, wiper, abs system, theft, door lock, ignition switch, gauge, horn, relay, stoplamp. In the engine area in fuse relay box is the fuse number 20 (brown 7.5 amp) this fuse supply power todifferent sistems including the combination meter board where is locate your fuel gauge. Engine compartment fuse box diagram (type a). Fuse panel layout diagram parts: The fuse box diagram for a 2003 toyota corolla ce is located on the rear of the box cover.

By