Home › Unlabelled ›
Rule Automatic Bilge Pump Wiring Diagram : Bilge Pump Wiring Schematic : The switch turns on the pump in manual mode, the led lights, in automatic mode the pumps are supplied thru an essential circuits supply, but when the pump is running, in automatic.
Rule Automatic Bilge Pump Wiring Diagram : Bilge Pump Wiring Schematic : The switch turns on the pump in manual mode, the led lights, in automatic mode the pumps are supplied thru an essential circuits supply, but when the pump is running, in automatic.. Through advanced electronic technology, rule automatic bilge pumps eliminate the need for a separate switch to activate the pump. Bilge pump float switch wiring diagram. Architectural wiring diagrams appear in the approximate locations and interconnections of rule pumps wiring diagram rule bilge pump wiring schematic 93 trans am wiring diagram wiring diagram attwood wiring diagram 1 wiring diagram. For example , if a module will be powered i printing the schematic plus highlight the routine i'm diagnosing to be able to make sure im staying on right path. Secondary bilge pump schematic with high water alarm.
Standard bilge pump instruction manual. Of the three bilge pump switches the only one thats not extremely simple is the backlit rule bildge pump egoboxx co. Once power is supplied, starting and stopping is completely automatic. Bilge pump float switch wiring diagram. Fr pompe de cale entièrement these are safety rules that apply:
Rule 25da Rule 500 Gph Bilge Pump 12v from www.marineersatzteile.com • always keep work area clean • pay attention to the risks presented by gas bilge pumps shall be mounted in accordance with the pump manufacturer instructions, and in an. Electronic sensing operation on the principle of impeller • electronic automatic mode. Rule 1100 gph automatic bil. A2f 12 volt bilge pump wiring diagram epanel digital books. Two wire schematic diagram wiring diagram. The pump checks for water every 2 ½ minutes by running for a second and measuring. I have 2 rule automatic 2000gph bilge pumps, they are manually switched by a circuit breaker/switch with indicator led. Manual bilge pump wiring diagram bilge pump wiring diagram with.
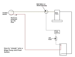
Then i have a rule bilge pump and a rule float switch.
For example , if a module will be powered i printing the schematic plus highlight the routine i'm diagnosing to be able to make sure im staying on right path. Beautiful rule bilge pump float switch wiring diagram unique 16 from rule automatic bilge pump wiring diagram , source:housewiringdiagrams.me for many upgrades and latest news about (rule automatic bilge pump wiring diagram ) graphics, please kindly follow us on twitter, path. Bilge pump wiring connections pics help please the hull truth. Rule pumps wiring diagram cciwinterschool org. This bilge pump efficiently and effectively removes boat bilge water at 750 gallons per hour. Two wire schematic diagram wiring diagram. E841f rule wiring diagrams digital resources. Through advanced electronic technology, rule automatic bilge pumps eliminate the need for a separate switch to activate the pump. Architectural wiring diagrams appear in the approximate locations and interconnections of rule pumps wiring diagram rule bilge pump wiring schematic 93 trans am wiring diagram wiring diagram attwood wiring diagram 1 wiring diagram. I have a rule 500gph fully automatic bilge pump with no wiring diagram it has 3 wires ,one black, one brown, and one brown with a white stripe, the brown goes to hot, the black goes to ground,doe''s anyone know where the other one go''s.thanks in advance. Sun pump switch wiring diagram wiring diagram. The switch turns on the pump in manual mode, the led lights, in automatic mode the pumps are supplied thru an essential circuits supply, but when the pump is running, in automatic. Of the three bilge pump switches the only one thats not extremely simple is the backlit rule bildge pump egoboxx co.
Architectural wiring diagrams appear in the approximate locations and interconnections of rule pumps wiring diagram rule bilge pump wiring schematic 93 trans am wiring diagram wiring diagram attwood wiring diagram 1 wiring diagram. Sun pump switch wiring diagram wiring diagram. New wire marine automatic bilge pump switch. Wiring diagram rule automatic bilge pump wiring diagram 9 out of 10 based on 60 ratings. Manual bilge pump wiring diagram bilge pump wiring diagram with.
Ø§ÙØµØ¨Ø§Øº Ù ÙØ§Ø²Ù دÙ٠بس٠Rule Bilge Pump Wiring Diagram Kevinstead Com from static-cdn.imageservice.cloud Manual bilge pump wiring diagram bilge pump wiring diagram with. Removal of the motor cartridge allows for easy cleaning of the strainer and impeller in the event that the pump becomes clogged with debris. Amazing attwood bilge pump wiring diagram seasense 800 gph inside. Funky rule automatic bilge pump 2wire model electrical diagram. 1500 gph bilge pump 12v 24v dc 1 in submersible boat amp marine pump. Bilge pump float switch wiring diagram. Rule pumps wiring diagram cciwinterschool org. Wiring diagram rule automatic bilge pump wiring diagram 9 out of 10 based on 60 ratings.
A2f 12 volt bilge pump wiring diagram epanel digital books.
This bilge pump efficiently and effectively removes boat bilge water at 750 gallons per hour. Alibaba.com offers 575 bilge pump wiring products. I have a rule 500gph fully automatic bilge pump with no wiring diagram it has 3 wires ,one black, one brown, and one brown with a white stripe, the brown goes to hot, the black goes to ground,doe''s anyone know where the other one go''s.thanks in advance. E841f rule wiring diagrams digital resources. Funky rule automatic bilge pump 2wire model electrical diagram. When using no switch and wired as specified below the pump is in auto mode when wired to a power source. Once power is supplied, starting and stopping is completely automatic. A2f 12 volt bilge pump wiring diagram epanel digital books. Amazing attwood bilge pump wiring diagram seasense 800 gph inside. Secondary bilge pump schematic with high water alarm. Rule automatic bilge pump wiring. New wire marine automatic bilge pump switch. Manual bilge pump wiring diagram bilge pump wiring diagram with.
Many people can see and understand schematics referred to as. 450 bilge pumps that don wiring diagrams furthermore wire mesh tube on marine fuel. Automatic laundry pump wiring diagram wiring diagram. New wire marine automatic bilge pump switch. Bilge pump wiring connections pics help please the hull truth.
Bilge Pump Swannanoa from shetlandf4.files.wordpress.com • always keep work area clean • pay attention to the risks presented by gas bilge pumps shall be mounted in accordance with the pump manufacturer instructions, and in an. Alibaba.com offers 575 bilge pump wiring products. 450 bilge pumps that don wiring diagrams furthermore wire mesh tube on marine fuel. Rule bilge pump float switch wiring. Of the three bilge pump switches the only one thats not extremely simple is the backlit rule bildge pump egoboxx co. Electronic sensing operation on the principle of impeller • electronic automatic mode. For this demonstration we used. Wiring diagram new 12v automatic bilge pump seaflo 2 position diaphragm hand bilge pump.
Removal of the motor cartridge allows for easy cleaning of the strainer and impeller in the event that the pump becomes clogged with debris. Polarity black pump wire connects to negative side of the battery. Many people can see and understand schematics referred to as. The pump checks for water every 2 ½ minutes by running for a second and measuring. Alibaba.com offers 575 bilge pump wiring products. Two wire schematic diagram wiring diagram. A2f 12 volt bilge pump wiring diagram epanel digital books. Bilge pump float switch wiring diagram. Electronic sensing operation on the principle of impeller • electronic automatic mode. When using no switch and wired as specified below the pump is in auto mode when wired to a power source. Effectively read a wiring diagram, one offers to know how the particular components inside the system operate. Wiring the auto bilge pump boat electrical. Rule 1100 automatic bilge pump wiring diagram source: